|
|
|
|
CYB11W系列微压变送器
|
| 一、 产品介绍: |
二、 实物图例: |
CYB11W系列微压力变送器采用进口高精度、高稳定性微压力敏芯片,经严格精密的温度补偿,线性补偿,信号放大,V/I转换,逆极性保护,压力过载限流等信号处理,将很微小的差压,风压,流量等参数可靠的转换成工业标准的4~20mA或0~10mA信号输出。
该变送器可广泛用于石油,化工,冶金,电力,轻纺,电子,医药,食品,环保等领域对生产过程中十分微小的非腐蚀性气体的差压,流量,风压等进行可靠的控制,是超净厂房和锅炉自动化检测的理想产品。
|
 |
 |
三、技术参数:
|
量 程 范 围
|
0~±100、500…1000(Pa)
|
|
0~2、10…1000 (KPa)
|
|
压 力 形 式
|
表压 、负压 |
|
输 出 信 号
|
4~20 mA (1~5V) 二线制 |
|
0~10 mA (1~5V) 三线制 |
|
精 度
|
0.1 0.3 0.5
|
|
非线性迟滞重复性
|
≤0.1 ≤0.3 ≤0.5(%FS)
|
|
零 点 漂 移
|
≤0.1 ≤0.1 ≤0.3(%FS/4h)
|
|
零点及灵敏度温度漂移
|
≤0.01 ≤0.03 ≤0.05(%FS/℃)
|
|
长 期 稳 定 性
|
≤0.1 ≤0.3 ≤0.5(%FS/年)
|
|
工 作 电 压
|
+12~+36 (标定值为+24) |
|
补 偿 温 度
|
0~+60(℃)
|
|
环 境 温 度
|
-20~+85(℃)
|
|
过 载 能 力 |
200(% ) |
|
寿 命 |
>1×108压力循环 (25℃) |
|
静 压 |
≤5(Mpa) |
|
负 载 电 阻 |
R=(U-12.5)/0.02-RD 其中:U为电源电压 Rd为电缆内阻 |
|
响 应 时 间 |
≤1(ms) |
|
测 量 介 质 |
非腐蚀性气体 |
|
壳 体 材 料 |
1Cr18Ni9TI 和 ABS |
|
接 口 |
Φ6气嘴或用户自定 |
|
防 爆 等 级 |
ExibIICT6 |
|
防 护 等 级
|
IP65 |
|
| 四、特
点:
|
1、 测非腐蚀性气体的微压,流量,风压
2、 可连续测量负压和正压
3、 灵敏度高。可测小于100Pa的微小压力
4、 精度高:优于0.1%FS
5、 稳定性好:≤0.1%FS/年,≤0.01%FS/℃
6、 防浪涌电压,极性反向保护
7、 抗干扰设计
8、 过载能力强
9、 体积小,安装方便
10、本安防爆
|
| 五、电器连接:
|
|
|
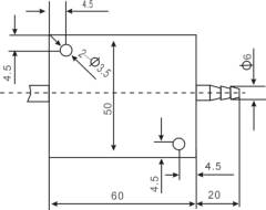
| 六、外型结构:
|
|
|
|
七、 接线图
|
|
|
|
|