首页 公司简介 产品展台 开发生产 资料下载 技术支持 解决方案 展会消息
代理经销 集成电路 高频微波 消费电子 工控网络 安防报警 光纤光电 汽车电子
合作交流 留言本 友情连接 热卖产品 销售网络 招聘加盟 新品介绍 联系我们
传感器/变送器/仪表按厂商品牌选用指南按种类分类选用指南按行业应用选用指南 模块模组 隔离采集仪器仪表
产品资料 技术资料 样例工程 产品驱动 参考设计 应用电路 通讯协议 使用说明 支持软件 数据查询 问题解答 标准法规 图书资料 基础知识

| 公司简介 | 产品介绍 | 传感器配套仪表| 数字面板表 | 传感器技术应用与选型 | 联系我们 | 首 页 |

技术咨询热线:
0755-83394033 13501568376
按产品分类介绍
::压力变送器总汇::
微压变送器
微差压变送器
通用型压力变送器
隔离式压力变送器
工业型压力变送器
工业数显压力变送器
BPK远程数显压力表
蓝宝石高温压力变送器
高温齐平膜压力变送器
高温数显型压力变送器
隔离式差压变送器
隔离式液位变送器
高温导压型液位变送器
电容式差压变送器
单法兰差压变送器
工业/航天/航空/军工压力变送器
  ::压力开关系列::
CYDK-I型压力开关
CYDK-II型压力开关
CYDK-III型压力开关
BPK-DK智能型压力开关
::差压开关系列::
.CYDK-I型差压开关
.CYDK-II型差压开关
.CYDKIII数显差压开关
  ::智能数显仪表::
智能型数字显示仪表
 
::压力传感器总汇::
.绝压传感器
.高精度压力传感器
.微型压力传感器
.高温压力传感器
.隔离式压力传感器
.微差压传感器
.双膜差压传感器
.液位式传感器
工业民用压力传感器
数字压力传感器
按代理厂牌简介
NOVOSENSOR
MOTOROLA/FREESCALE压力/汽车传感器/传感器控制电路
 MSP微熔技术、US扩散硅压力传感器
 IC Sensors 压力传感器、加速度计
KULITE压力传感器
MSI压力产品
Schaevitz Sensors
UE
TRAFAG
SETRA
BOSEMOUNT
NMB
E+H
INFINENO
HUBA CONTRONL
HONEYWELL
GE
DRUCK
KISTLER
KELLER
AUTONICS
CSS
ACSI(美国)全系列产品
Entran (美国)全系列产品
Honeywell 传感与控制系列产品
Dwyer 全系列产品
其他品牌压力传感器及相关产品
 
CYB21系列微差压变送器
一、 产品介绍: 二、 实物图例:

    CYB21系列微差压/微压变送器采用进口高精度、高稳定性微压力敏芯片,经严格精密的温度补偿,线性补偿,信号放大,V/I转换,逆极性保护,压力过载限流等信号处理,将很微小的差压,风压,流量等参数可靠的转换成工业标准的4~20mA或0~10mA信号输出。

   该变送器可广泛用于石油,化工,治金,电力,轻纺,电子,医药,食品,环保等领域对生产过程中十分微小的非腐蚀性气体的差压,流量,风压等进行可靠的控制,是超净厂房和锅炉自动化检测的理想产品。 
三、技术参数
量 程 范 围
                      0~±100、500…1000(Pa)
                      0~2、10…1000     (KPa)
压 力 形 式
                       表压 、差压、负压
输 出 信 号
                     4~20 mA (1~5V) 二线制
                     0~10 mA (1~5V) 三线制
精       度
                           0.1 0.3 0.5
非线性迟滞重复性
≤0.1 ≤0.3 ≤0.5(%FS)
零 点 漂 移
  ≤0.1 ≤0.1 ≤0.3(%FS/4h)
零点及灵敏度温度漂移
≤0.01 ≤0.03 ≤0.05(%FS/℃)
长 期 稳 定 性
≤0.1 ≤0.3 ≤0.5(%FS/年)
工 作 电 压
                       +12~+36 (标定值为+24)
补 偿 温 度
0~+60(℃)
环 境 温 度
-20~+85(℃)
          过 载 能 力                              200(% )
          寿       命                        >1×108压力循环 (25℃)
          静       压                              ≤5(Mpa)
          负 载 电 阻         R=(U-12.5)/0.02-RD 其中:U为电源电压 Rd为电缆内阻
          响 应 时 间                               ≤1(ms)
          测 量 介 质                             非腐蚀性气体
          壳 体 材 料                           1Cr18Ni9TI 和 ABS
          接       口                           Φ6气嘴或用户自定
          防 爆 等 级                                ExibIICT6
防 护 等 级
                                  IP65

 

四、特   点:
  1、测非腐蚀性气体的微差压,流量,风压
  2、可连续测量负压和正压
  3、灵敏度高。可测小于100Pa的微小压力
  4、 精度高:优于0.1%FS
  5、稳定性好:≤0.1%FS/年,≤0.01%FS/℃
  6、防浪涌电压,极性反向保护
  7、抗干扰设计
  8、过载能力强
  9、体积小,安装方便
  10、本安防爆
五、电器连接:
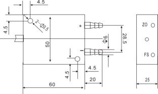
六、外型结构:
            
七、 安装使用
   差压变送器安装连接如图所示,
固定安装变送器,将高低介质压力
通过引压管和平衡阀引入到变送器
的“H”高压腔和:“L”低压腔。
注意静压参数,严禁单向过载加压
和御压,以免造成损坏。
八、 选 型
代     码
                            说        明
       CYB21-                          微差压/微压变送器
        FS                             压力满量程
        I                              电流输出
        V                              电压输出
        X                              外形结构
        J                              精    度
        O                              其它要求

 

更多产品请看本公司产品专用网站:

 

中国传感器科技信息网:http://www.sensor-ic.com/

工控安防网:http://www.pc-ps.net/

消费电子专用电路网:http://www.sunstare.com/

 

传感器销售热线:

 

    地址:深圳市福田区福华路福庆街鸿图大厦9732室

    电话:0755-83376489 83376549 83607652 83370250   83370251   83376549

    传真:0755-83376182  (0)13902971329  MSN: xjr5@163.com

    邮编:518033   E-mail:szss20@163.com     QQ: 195847376

    深圳赛格展销部:深圳华强北路赛格电子市场9583号

             电话:0755-83665529   13823648918 FAX:0755-83376182

 

欢迎索取免费详细资料、设计指南和光盘 ;产品凡多,未能尽录,欢迎来电查询。

    北京分公司:北京海淀区知春路132号中发电子大厦3097

               TEL  18927445855  13823791822  FAX010-62543996 

    上海分公司:上海市北京东路668号上海賽格电子市场地下一层D25号

               TEL  56703037  13823676822  FAX021-56703037

    西安分公司:西安高新开发区20(中国电子科技集团导航技术研究所

           西安劳动南路88号电子商城二楼D23 

            TEL  18926764199  FAX:029-77678271