|
销售热线:TEL:0755-83387026
FX:0755-83376182技术咨询热线:
|
0755-83394033 13501568376
|
|
|
|
NovaSensor 公司简介
|
NovaSensor公司位于美国加州硅谷的中心地带,专业从事半导体产品及计算机技术的研发和生产,产品广泛应用于医疗、汽车、工业及消费等领域。
从1985年成立至今,NovaSensor公司在硅微机械加工技术(MEMS)方面始终保持世界领先地位。面临当今激烈市场竞争,NovaSensor公司将以强有力的团队工作精神,以先进的总体质量控制、统计分析技术、自动化检测和条码数据采集、跟踪等手段作为生产保障及"用户至上"的服务方针向用户提供高性能、经济型产品和有效的解决方案。 |
|
NovaSensor 产品应用领域
|
|
医疗行业应用
NovaSensor公司是世界上医用有创和无创式血压传感器最大的生产厂商,其中一次性血压传感器(NPC-100)能对全球危重病人血压进行监控,该类传感器可用于心脏内压、子宫内压及球囊扩张导管等产品,其它有关压力检测的医用设备。如:呼吸机、输液泵、透析仪、婴儿室通风设备等均有涉及。 |
汽车行业应用
NovaSensor公司通过与客户、制造商及代理商的广泛接触,开发多种轮胎压力(IPMS)、绝压(MAP)、油压及燃料等车用传感器逐步取代原先的机械式传感器,用于监控轮胎温度、压力、转速等指标,以提高汽车的安全性、舒适性和耐用性。 |
工业领域应用
NovaSensor公司的传感器在热处理、空调、制冷、食物处理、水文监控及废水处理等重要工业领域均有涉及,并向大型OEM制造业用户提供优质、经济型产品,以协助用户提高制造、检测、监控及工业过程控制领域的竞争优势。
|
|
消费产品应用
为了改善和提高生活水平, NovaSensor公司开发了娱乐、保健、用途的传感器,如在家用滑翔机、登山设备、轻便设备等产品的应用。近期产品包括脚踏车胎压和水中呼吸器(SCUBA)罐压的监控设备。
|
产品图片 |
产品名称/型号 |
产品简介 |
|
NPI-15/19
NovaSensors NPI-15/19压力传感器 |
|
|
NPC1210
NovaSensor NPC1220压力传感器 |
|
|
NPC1210
NovaSensor NPC1210压力传感器 |
|
|
NPC1210/1220
NPC1210/1220压力传感器芯体 |
|
|
|
NovaSensor NPI系列
|
|
|
|
- 量程范围:35KPa~35MPa ,具有表压、绝压测量形式;
|
|
|
|
|
- 0~70℃温度补偿,温度系数±0.75%FSO(最大值)
|
|
|
NovaSensor NPH系列
|
|
|
|
- 量程范围:2.5KPa~700KPa ,具有绝压表压和差压测量形式;
|
- 标准TO-8封装,可用于印刷电路板(PCB)安装;
|
|
|
- 0~70℃温度补偿,温度系数±0.75%FSO(最大值)
|
|
|
NovaSensor NPP系列
|
|
|
|
|
|
- 表面安装(SO-8)结构,适用于批量自动 化元件帖装;
|
|
|
|
|
|
|
NovaSensor NPD系列
|
- 未封装型芯片,适用于大批量、有封装能力的OEM客户;
|
|
|
|
- 超小尺寸:0.7~3.2mm2 可根据用户需求订制;
|
|
|
NovaSensor NPC系列
|
| NPC-410/1210/1220系列 |
|
|
|
|
- 量程范围:35KPa~700KPa,具有绝压、表压和差压测量形式;
|
- 双列直插(DIP)结构,可用于印刷电路板(PCB)安装;
|
|
|
|
| NPC-1210微压系列 |
|
|
|
|
- 量程:2.5KPa、7KPa,具有表压和差压测量形式;
|
- 双列直插(DIP)结构,可用于印刷电路板(PCB)安装;
|
|
|
| NPC-107医用血压传感器 |
|
|
概述
|

NPC-100 系列医用压力传感器按AAIM标准进行设计,补偿和标定。传感器是由高性能,抗辐射的压力敏感元件和温度补偿电路组成,芯片表面采用介电凝胶保护封装。
NPC-100系列在1000级净化间内生产,以排除可能存在的污染源。专业硅微机械加工技术使敏感元件性能符合并超过了工业标准,同时减速少了装配和测试成本。
NPC-100传感器的补偿和标定,采用厚膜激光调整技术,使其工作温度范围内的线性≤1%,灵敏度误差≤±1%。
NPC-100系列以陶瓷基座形式批量生产,其发货包装采用阵列排列。
|
特点
|
|
|
| 应用 |
|
|
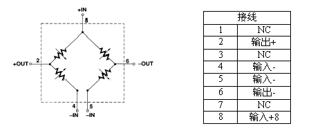
工作原理及接线图
|
|
|
| |
|
|
|
|
|
Nova Sensor NPC/410/1210/1220系列
|
| |
概述
|

Nova
Sensor公司NPC/410/1210/1220系列,适用于低成本、大批量应用场合;其双列直插结构,方便用于印刷电路板安装;并有多种压力接口和管脚结构供用户选用择。
正如Nova Sensor公司的所有硅压力传感器一样,NPC系列应用了Senstable压阻传感技术,硅敏感元件采用了先进的离子注入工艺,由上述工艺所形成的高质量惠斯登电桥电路和精密的力学结构,实现了力-电一体化转换。
本系列可用于兼容气体介质的绝压、表压、和差压检测,具有优良的性能。
|
特点
|
|
|
- 双列直插式(PID)结构,可用于印刷电路板(PCB)安装
|
|
|
|
|
|
|
|
|
|
|
|
应用
|
|
|
工作原理及接线图
|
|
|
|
|
概述
|

Nova Sensor 公司NPI
系列,将固态集成工艺与隔离膜片技术相结合,扩散硅芯片被封装在充油腔体内,并通过不锈钢膜片和外壳将其与测量介质隔离开来,向用户提供性价比良好的产品。
。
标准产品提供了多种压力接口,可满足焊接密封和侧密封设计要求正如Nova Sensor
公司的所有硅压力传感器一样,NPI系列应用于了Senstable压阻传感器技术及温度补偿工艺,将温度补偿电阻环路制作在混合陶瓷基片上,在0~70℃的温度补偿范围内,提供了最小的温度误差0.75%(最大值).
本系列可广泛应用于气、液压力的检测,基至在恶劣环境下,如:污水、蒸气、弱腐蚀性介质,仍俱有优良的性能。
|
| |
特点
|
应用
|
工作原理图

|
|

NovaSensor 公司的 NPP系列,是表面安装的硅压力传感器,其采用硅-硅熔接技术和高稳定性的超小压阻芯片封存于塑料壳内。
NPP系列采用了集成电路的引脚结构,可安装在狭小的场合,因而给予大批量的OEM用户提供了一种廉价的产品。
NPP系列在恒压供电下,产生一个与输入压力成正比的电压信号,用户可通过信号调节电路对其进行放大或增加其附加值以达到自身产品的需求。
NPP系列用于大多数非腐蚀性气体和干燥空气的测量。 |
特点
|
应用
|
工作原理图

|
性能指标
|
特性
|
参数
|
单位
|
备注
|
|
压力范围
|
0~100
|
kPa
|
≈15Psi
|
|
|
0~200
|
kPa
|
≈30Psi
|
|
|
0~700
|
kPa
|
≈100Psi
|
|
过 载
|
3X
|
|
额定压力
|
|
电气性能(25℃)
|
|
供 电
|
3.0
|
V
|
最大10V.DC
|
|
输入阻抗
|
5000±20%
|
Ω
|
|
|
输出阻抗
|
5000±20%
|
Ω
|
|
|
环境条件
|
|
静电损害(ESD)
|
>10
|
kv
|
|
|
工作温度
|
-40~125
|
℃
|
|
|
物理特性
|
|
重 量
|
≈0.10
|
g
|
|
|
兼容介质
|
洁净、干燥、无腐蚀性气体
|
|
|
|
技术指标(所有测试值相对22℃是、3V恒压供电)
|
|
零点输出
|
±10
|
mV
|
|
|
满度输出
|
60±20
|
mV
|
|
|
线性度
|
±0.20
|
%FSO
|
|
|
迟滞和重复性
|
±0.10
|
%FSO
|
|
|
零点温度系数
|
±0.04
|
%FSO/℃
|
|
|
电阻温度系数
|
0.30
|
%/℃
|
|
|
灵敏度温度系数
|
-0.20vv
|
%FSO/℃
|
|
|
零点热迟滞
|
±0.10
|
%FSO
|
|
|
长期稳定性
|
±0.20
|
%FSO
|
|
|
外型尺寸 单位:mm(in)

|
选型
| 系列 |
量程 |
封装类型 |
| NPP-301-100A |
100kPa(15Psi) |
SO-8 |
| NPP-301-200A |
200kPa(30Psi) |
SO-8 |
| NPP-301-700A |
700kPa(100Psi) |
SO-8 |
注:
1、本系列只有提供绝压型式
2、对于OEM用户,在保证数量和应用的前提下可根据用户要求订制产品。
|
|
|
|
|
传感器销售热线:
地址:深圳市福田区福华路福庆街鸿图大厦9732室
电话:0755-83376489 83376549 83607652 83370250
83370251 83376549
传真:0755-83376182 (0)13902971329
MSN:
xjr5@163.com
邮编:518033 E-mail:szss20@163.com
QQ: 195847376
深圳赛格展销部:深圳华强北路赛格电子市场9583号
电话:0755-83665529 13823648918 FAX:0755-83376182
欢迎索取免费详细资料、设计指南和光盘
;产品凡多,未能尽录,欢迎来电查询。
北京分公司:北京海淀区知春路132号中发电子大厦3097号 TEL:
18927445855 13823791822 FAX:010-62543996
上海分公司:上海市北京东路668号上海賽格电子市场地下一层D25号
TEL:
56703037 13823676822 FAX:021-56703037
西安分公司:西安高新开发区20所(中国电子科技集团导航技术研究所)
西安劳动南路88号电子商城二楼D23号
TEL:
18926764199 FAX:029-77678271