首页 公司简介 产品展台 开发生产 资料下载 技术支持 解决方案 展会消息
代理经销 集成电路 高频微波 消费电子 工控网络 安防报警 光纤光电 汽车电子
合作交流 留言本 友情连接 热卖产品 销售网络 招聘加盟 新品介绍 联系我们
传感器/变送器/仪表按厂商品牌选用指南按种类分类选用指南按行业应用选用指南 模块模组 隔离采集仪器仪表
产品资料 技术资料 样例工程 产品驱动 参考设计 应用电路 通讯协议 使用说明 支持软件 数据查询 问题解答 标准法规 图书资料 基础知识
   
实心轴类
ISC3004系列
ISC3806系列
ISC5208系列
ISC6005系列
ISC5810系列
ISC7008系列
ISA5208系列
同步伺服法兰
ISN3005系列
ISN4005系列
ISN4406系列
ISN5806系列
法兰安装类
ISL6005系列
ISL5809系列
ISL5815-001系列
ISL5815-007系列
ISL5820系列
带UVW信号类
IHU4808系列
ICU4809系列
IHU5208系列
半空心轴类
IHC3808系列
IHC4606系列
空心轴类
IHA6012系列
IHA8030系列
IHA9040系列
IHA1045系列
手摇类
ISM6045系列
ISM8060系列
ISMM1468系列
无轴类
HKT56xx系列
HKT30xx-301系列
HKT30xx-A01系列
HKT22系列
HKY-MW系列
HKY-W系列
HKY-Y系列
弹性连轴器
BB1、BB2系列
BF、BF1、BF2系列
DR、BR系列
DB、BB系列
DD、DD1、DD2系列
DT、BD系列
DR1-C系列
DR2-S、KR2-S系列
BB3系列
选型指南
注意事项
 
   
 
   
ICU4809
       ※技术参数
电气参数 方 波
输出波形 A BZUVM六相
消耗电流 ≤160mA
响应频率 0~200KHz
载空比 0.5T±0.1T
相位差 90°±45°
电源电压 DC 5V、DC 5-24V
输出电压 高电平VH≥85%Vcc,低电平VL≤0.3V
脉冲数 1000、1024、2048(2P、3P、4P)、2000(2P、3P、4P、6P),2500(2P、3P、4P、5P、6P)(其它脉冲数用户需要预定)
电路特征
L-长线驱动器 C-集电极开路
***机械参数  
最大转速 6000rpm
转动惯量 4x10-6kg㎡
起动力矩 2.5X10m-3 Nm(+25℃)
抗冲击 980/Sm2 ,6ms,XYZ方向各2次
抗震动 50m/Sm2 ,10-200HZ,XYZ方向各2h
工作寿命 MTBF≥50000h(+25℃,2000rpm)
重量 约140g(带0.35米电缆)
   
***环境参数
 
工作温度
30-85%无结露
储存温度
-40℃-120℃
工作温度
-30℃-100℃
防 护
防水、防油、防尘IP54
※产 品 描 述
*外形尺寸ф48X35mm,锥孔ф9X15MM,采用板弹簧和
轴端连接,安装使用方便;
*具有检测AC马达磁极位置的U、V、W信号,广
泛应用于交流伺服单元等自动控制领域,特别适合与
伺服电机配套使用,具有很高的性价比。
※输出波形与信号位置精度
90℃常规产品不含Z信号;
从轴端看,顺时针旋转(CW)时的波形图;
波形比;X1+X2=1/2T±1/10T X3+X4=1/2T±1/10T
相位差:Xn=1/4±1/10T(n=1.2.3.4)
信号位置误差;准确度≤1/18T
周期误差:±0.01T 电角度周期:TD=T
零位信号:TZ=1/2T(1T、1/2T、1/4T…)
脉冲周期:T=360°/N(N为每转输出脉冲数)
A、B相与Z相的位置关系不作规定
周期P=360℃/N1±1.5°(N1=2、3、4)
相位差:Yn=P/6±1.5°(N=1、2、3、4、5、6)
A、B相与Z相的位置关系不作规定
Z相与U相关系:C≤±1°″(机械角)
※接线表
信号 +5V 0V SIGA SIG SIGB SIG SIGZ SIG SIGU SIG SIGV SIG SIGW SIG
导线颜色 绿 棕/黑 白/黑 黄/黑 .棕 棕/黑 灰/黑 橙/黑
注:屏蔽线已接编码器外壳,输出电缆标准长度为0.35米,实际接线以编码器的标签为准。
型号说明
基本型号ICU4809,电缆测出G,脉冲数2000/p/r,A、B、Z三路信号,Tz=1T,电源电压DC5V,长线驱动器输出L;
编码器型号记为:ICU4809-001G2000BZ1-6P5L
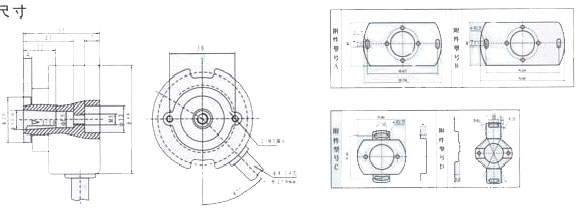
安装尺寸


 

更多产品请看本公司产品专用销售网站:欢迎索取免费详细资料、设计指南和光盘 ;产品凡多,未能尽录,欢迎来电查询。

中国传感器科技信息网:http://www.sensor-ic.com/ 射频微波光电产品网:HTTP://www.rfoe.net/

电子元器件网:http://www.sunstare.com/工控安防网:http://www.pc-ps.net/

军工产品网:hrrp://www.Junpinic.com/        消费电子产品网://www.icasic.com/

科技产品网://www.sunstars.cn/

传感器销售热线:

    地址:深圳市福田区福华路福庆街鸿图大厦9732室

    电话:0755-83376489 83376549 83607652 83370250   83370251   83376549

    传真:0755-83376182  (0)13902971329  MSN: xjr5@163.com

    邮编:518033   E-mail:szss20@163.com     QQ: 195847376

    深圳赛格展销部:深圳华强北路赛格电子市场9583号 电话:0755-83665529   13823648918

    技术支持: 0755-83394033 13501568376

    北京分公司:北京海淀区知春路132号中发电子大厦3097   TEL  18927445855  13823791822  FAX010-62543996 

    上海分公司:上海市北京东路668号上海賽格电子市场地下一层D25号   TEL  56703037  13823676822  FAX021-56703037

    西安分公司:西安高新开发区20(中国电子科技集团导航技术研究所西安劳动南路88号电子商城二楼D23 

            TEL  18926764199  FAX:029-77678271