CY-DKⅢ型智能数显差压开关
|
一、 产品介绍: |
二、 实物图例: |
CY-DKⅢ型智能数显差压开关采用进口带不锈钢隔离膜片的高精度、高稳定性力敏芯片,经激光调阻和先进的厚膜技术温度补偿、线性补偿、信号放大、V/I转换、逆极性保护、压力过载限流等信号处理,直接用31/2LED显示压力值的智能差压开关。
广泛用于石油、化工、治金、电力、环保等领域的气动差压或气、液差压控制系统。
|
 |
三、 技术参数:
量 程
|
0~0.1…………60(Mpa)
|
压 力 形 式
|
差压 |
输 出 信 号
|
底电平≤0.5,高电平≥4.5的开关信号 |
精
度
|
0.25
0.5 1 (%)
|
上下限设定范围
|
下限:0~上限设定最底值
上限:下限设定最高植~上限设定最高值
|
长 期 稳 定 性
|
|
工
作 电 压
|
|
补
偿 温 度
|
-10~+80
|
存
储 温 度
|
-40~+120
|
膜
片 材 料
|
316L不锈钢
|
壳
体 材 料
|
1Cr18Ni9Ti和铝合金
|
接 口 |
M20×1.5或用户定义 |
防 爆 等 级 |
ExibIICT6 |
防 护 等 级 |
IP65 |
|
四、特
点:
|
1、 III型为压力控制点在量程范围内可设定调节并显示的产品
2、 采用差压传感器
3、调节无死区,零点至满量程设定点任意调整
4、比机械压力开关精度高,响应快
5、LED显示压力值
5、开关信号可靠
6、本安防爆
|
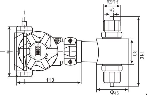
五、
外型结构:
|
|
六、 选 型:
代 码
|
说 明 |
CYDK-I |
单点调节压力开关 |
II |
两点调节压力开关 |
III |
智能数显压力开关 |
1 |
普通压力开关 |
2 |
带滞后回差型 |
A |
外螺纹尺寸:M12×1 |
B |
外螺纹尺寸:M20×1.5 |
C |
外螺纹尺寸协商定制 |
O |
输出方式为光耦 |
M |
输出方式为COMS |
J |
输出方式为继电器 |
1 |
18~24VDC供电 |
2 |
220VAC
供电 |
|