|
Nova Sensor NPC/410/1210/1220系列
|
|
概述
|

Nova
Sensor公司NPC/410/1210/1220系列,适用于低成本、大批量应用场合;其双列直插结构,方便用于印刷电路板安装;并有多种压力接口和管脚结构供用户选用择。
正如Nova Sensor公司的所有硅压力传感器一样,NPC系列应用了Senstable压阻传感技术,硅敏感元件采用了先进的离子注入工艺,由上述工艺所形成的高质量惠斯登电桥电路和精密的力学结构,实现了力-电一体化转换。
本系列可用于兼容气体介质的绝压、表压、和差压检测,具有优良的性能。
|
特点
|
|
- 双列直插式(PID)结构,可用于印刷电路板(PCB)安装
|
|
|
|
|
|
|
应用
|
|
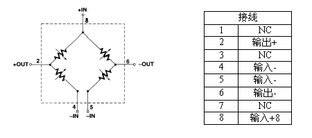
工作原理及接线图
|
|
|
|
概述
|

Nova Sensor 公司NPI
系列,将固态集成工艺与隔离膜片技术相结合,扩散硅芯片被封装在充油腔体内,并通过不锈钢膜片和外壳将其与测量介质隔离开来,向用户提供性价比良好的产品。
。
标准产品提供了多种压力接口,可满足焊接密封和侧密封设计要求正如Nova Sensor
公司的所有硅压力传感器一样,NPI系列应用于了Senstable压阻传感器技术及温度补偿工艺,将温度补偿电阻环路制作在混合陶瓷基片上,在0~70℃的温度补偿范围内,提供了最小的温度误差0.75%(最大值).
本系列可广泛应用于气、液压力的检测,基至在恶劣环境下,如:污水、蒸气、弱腐蚀性介质,仍俱有优良的性能。
|
|
特点
|
应用
|
工作原理图

|
|

NovaSensor 公司的 NPP系列,是表面安装的硅压力传感器,其采用硅-硅熔接技术和高稳定性的超小压阻芯片封存于塑料壳内。
NPP系列采用了集成电路的引脚结构,可安装在狭小的场合,因而给予大批量的OEM用户提供了一种廉价的产品。
NPP系列在恒压供电下,产生一个与输入压力成正比的电压信号,用户可通过信号调节电路对其进行放大或增加其附加值以达到自身产品的需求。
NPP系列用于大多数非腐蚀性气体和干燥空气的测量。 |
特点
|
应用
|
工作原理图

|
性能指标
特性
|
参数
|
单位
|
备注
|
压力范围
|
0~100
|
kPa
|
≈15Psi
|
|
0~200
|
kPa
|
≈30Psi
|
|
0~700
|
kPa
|
≈100Psi
|
过 载
|
3X
|
|
额定压力
|
电气性能(25℃)
|
供 电
|
3.0
|
V
|
最大10V.DC
|
输入阻抗
|
5000±20%
|
Ω
|
|
输出阻抗
|
5000±20%
|
Ω
|
|
环境条件
|
静电损害(ESD)
|
>10
|
kv
|
|
工作温度
|
-40~125
|
℃
|
|
物理特性
|
重 量
|
≈0.10
|
g
|
|
兼容介质
|
洁净、干燥、无腐蚀性气体
|
|
|
技术指标(所有测试值相对22℃是、3V恒压供电)
|
零点输出
|
±10
|
mV
|
|
满度输出
|
60±20
|
mV
|
|
线性度
|
±0.20
|
%FSO
|
|
迟滞和重复性
|
±0.10
|
%FSO
|
|
零点温度系数
|
±0.04
|
%FSO/℃
|
|
电阻温度系数
|
0.30
|
%/℃
|
|
灵敏度温度系数
|
-0.20vv
|
%FSO/℃
|
|
零点热迟滞
|
±0.10
|
%FSO
|
|
长期稳定性
|
±0.20
|
%FSO
|
|
|
外型尺寸 单位:mm(in)

|
选型
注:
1、本系列只有提供绝压型式
2、对于OEM用户,在保证数量和应用的前提下可根据用户要求订制产品。
|
|
|
|
NPC 1210 1220 410系列压力传感器

概述:
Nova Sensor公司NPC/410/1210/1220系列,适用于低成本、大批量应用场合;其双列直插结构,方便用于印刷电路板安装;并有多种压力接口和管脚结构供用户选用择.
正如Nova Sensor公司的所有硅压力传感器一样,NPC系列应用于了Senstable压阻传感技术,硅敏感元件采用了先进的离子注入工艺,由上述工艺所形成的高质量惠斯登电桥电路和精密的力学结构,实现了呼电一体化转换.
本系列可用于兼容气体介质的绝压、表压、和差压检测,具有优良的性能.
特点:
■ 低成本,可互换性;
■ 双列直插式(PID)结构,可用于印刷电路板(PCB)安装
■ 可测液、气兼容介质
■ 恒流1.5mA供电
■ 具有绝压、表压和差压形式
■ 压力范围:0~2.5KPa到0~700KPa
■ 高精度:±0.1%
应用:
■ 医疗设备:血压计、呼吸机和灌注泵
■ 空调、通风设备
■ 气流检测
■ 计算机外围设备
■ 过程控制
■ 电缆泄露检测
1220A-002D-3L 1220A-005G-1S 1220A-100A-3S
1220A-030A-3S 1220A-005D-3S 1220A-005G-1L
1220A-005G-3L 1220A-005G-3S 1220A-015A-3S
1220A-015G-3S 1210A-100G-3N 1210A-015G-3N
1210A-05WD-3S 1210A-10WD-3S 1210A-030A-3S
1210A-050G-3S 1210A-015A-3L 1210A-001D-3L
1210A-001D-3S 1210A-001G-3S 1210A-002D-3S
1210A-005A-3S 1210A-005D-3S 1210A-005G-3S
1210A-015A-3S 1210A-015D-3L 1210A-015D-3S
1210A-015G-3S 1210A-030A-3L 1210A-030D-3S
1210A-050A-3L 1210A-050A-3S 1210A-050D-3S
1210A-100A-3L 1210A-100D-3S 1210A-100G-3S
1210A-005A-3L 1230A-030A-3S 1230A-030A-3L
1220A-005G-3S NPC-1210-100D-3S NPC-1210-100G-3L
NPC-1210-015D-3L
NPC-1210-015D-3L NPC-1210-015A-3S NPC-1220-100G-3N
NPC-1210-001G-3L NPC-1210-10WD-3L NPC-1220-015A-3S
NPC-1220-005G-3S
NPC-1220-005G-3L NPC-1220-005G-1S NPC-1220-005D-3S
NPC-1210-10WD-3S NPC-1210-005G-1S NPC-1210-005D-3S
NPC-1210-001D-3S
NPI 系列压力传感器

概述:
Nova Sensor 公司NPI
系列,将固态集成工艺与隔离膜片技术相结合,扩散硅芯片被封装在充油腔体内,并通过不锈钢膜片和外壳将其与测量介质隔离开来,向用户提供性价比良好的产品.
标准产品提供了多种压力接口,可满足焊接密封和侧密封设计要求正如Nova
Sensor 公司的所有硅压力传感器一样,NPI系列应用于了Senstable压阻传感器技术及温度补偿工艺,将温度补偿电阻环路制作在混合陶瓷基片上,在0~70°C的温度补偿范围内,提供了最小的温度误差0.75%(最大值).本系列可广泛应用于气、液压力的检测,基至在恶劣环境下,如:污水、蒸气、弱腐蚀性介质,仍俱有优良的性能.
特点:
■ 固态、高可靠性、高灵敏度
■ 316不锈钢隔离膜片,腐蚀性介质可兼容
■ 压力范围:0~17.2KPa到0~35MPa
■ 提供恒流和恒压供电
应用:
■ 液、气压力控制系统
■ 自动过程检测和过程控制系统
■ 能源管理、环保及水处理系统
■ 船舶及航海系统
■ 冷冻及制氧设备
■ 柴油机系统
■ 农机设备
NPI-15C-C00903 NPI-19A-701GH NPI-19A-701AH
NPI-19A-021GH NPI-19A-201AH NPI-19A-172GH
NPI-19A-172AH
NPI-19A-101GH NPI-19A-101AH NPI-19A-031GH
NPI-19A-201GH NPI-15A-702SH NPI-15A-702AH
NPI-15A-353SH
NPI-15A-352SH NPI-15A-352AH NPI-15A-353AH
NPH 系列压力传感器

概述:
GE Novasensor
公司的NPH系列,将集成化的敏感芯片封装于标准的TO-8型电子外壳内,便于安装到印制线路板上,是具有良好性价比的产品.正如GE
Novasensor公司的所有硅压力传感器一样,NPH系列应用了senstable温度补偿工艺技术,将温度补偿的电阻环路制作在混合陶瓷基片上,在0~70°C的温度补偿范围内,提供了最小的温度误差0.75%(最大值).本系列可用于非腐蚀性气体和干燥空气的绝压、表压和差压检测,具有优良的性能.
特点:
■ 固态、高可靠性、高灵敏度
■ 标准TO-8封装,可用于PC板安装
■ 可与非腐蚀性气体介质兼容
■ 恒流1.5mA供电
■ 具有绝压、表压和差压形式
■ 压力范围:0~2.5KPa到0~700KPa
■ 线性0.1%FSO(典型值)
■ 0~70°C温度补偿,温度系数:0.2%FSO(典型值)
应用:
■ 气动控制系统
■ 自动检测和过程控制系统
■ 供暧、通风和空气调节
■ 医疗设备:灌注泵、血压计和呼吸机
■ 航空仪表:高度计、气压表和机舱压力检测设备
■ 计算机外围设备

NPH-8-700GH |
NPH-8-200GH |
NPH-8-100GH |
NPH-8-100DH |
NPH-8-030GH |
NPH-8-030DH |
NPH-8-007GH |
NPH-8-007DH |
NPH-8-002.5GH |
NPH-8-002.5DH |
NPP 系列压力传感器

概述:
NovaSensor 公司的 NPP系列,是表面安装的硅压力传感器,其采用硅-硅熔接技术和高稳定性的超小压阻芯片封存于塑料壳内.NPP系列采用了集成电路的引脚结构,可安装在狭小的场合,因而给予大批量的OEM用户提供了一种廉价的产品.NPP系列在恒压供电下,产生一个与输入压力成正比的电压信号,用户可通过信号调节电路对其进行放大或增加其附加值以达到自身产品的需求.NPP系列用于大多数非腐蚀性气体和干燥空气的测量.
特点:
■ 超小体积、超低成本
■ 表面安装(SO-8)结构,适用于自动化元件贴装
■ 工作温度:-40°C~125°C
■ 静态精度<±0.2%FSO
■ 可提供100、200和700Kpa的绝压量程
应用:
■ 汽车轮胎压力检测
■ 医疗设备
■ 空调设备
■ 电缆泄露检测
■ 压力开关和控制器
■ 便携式气压计、高度计
■ 消费用仪器
NPC100血压传感器

概述:
NPC-100系列医用压力传感器按AAIM标准进行设计,补偿和标定.传感器是由高性能,搞辐射的压力敏感元件和温度补偿电路组成,芯片表面采用介电凝胶保护封装.
NPC-100系列在1000级净化间内生产,以排除可能存在的污染源.志业硅微机械加工技术使敏感元件性能符合并超过了工业标准,同时减速少了装配和测试成本.
NPC-100传感器的补偿和标定,采用厚膜激光调整技术,使其工作温度范围内的线性≤1%,灵敏度误差≤±1%.
NPC-100系列以陶瓷基座形式批量生产,其发货包装采用阵列排列.
特点:
■ 固态、高可性
■ 可测兼容性介
■ 产品注入介电凝胶保护
■ 小尺寸、低成本
■ AAIM标准设计
■ 全面测试检验
应用:
■ 医疗仪器
■ 灌注泵
■ 血压测量
■ 透析仪器
NPX 系列压力传感器

概述:
GE NovaSensor公司推出的NPX系列芯片为新一代RTPM(无线轮胎压力监控系统)专用传感器.该传感器增加了一个信号调理电平,并包含了带有微控制器(μC)和低频(LF)输入的硅压力传感器,可以满足市场的多元化需求和客户的特殊要求,同时降低了系统的整体成本.带编程类型的传感器可用于产品开发用途,用户可直接将微控制器(μC)程序装载于EPROM中,以满足应用开发的需要.为了保证产品的高可靠性,成品类型的传感器会将应用程序写入其屏蔽的ROM中.
缩写和定义:
以下是文中用到的一些缩写或专用名词解释:
ADC---模拟-数字转换器
ASIC--- 专用集成电路
LNA---- 低噪音放大器
LF---- 低频
%FS---- %满量程(max – min)
PTAT---- 与绝对温度成比例
RISC---- 精简指令集计算机
ROM---- 只读存储器
RTPM----- 无线轮胎压力监控系统
SFR----- 特殊功能寄存器
主要功能:
NPX系列压力传感器芯片是针对无线轮胎压力监控(RTPM)应用来设计的产品,它是由一块带有大量外围器件的RISC核心模块组成.供应商设计的硬件存储器部分,执行库的功能包括:
■ 对压力信号进行检测和补偿
■ 对温度信号进行检测和补偿
■ 对供电电压进行检测和补偿
■ CRC-16(循环冗余码校验计算)
■ 计时器(满足定时操作的目的)
压力传感器
压力传感器由带有惠斯登电桥的微机械加工体型单晶硅膜片组成.压力传感器包括一个绝对压力参考腔在硅结构体内部,压敏电阻置于膜片的顶部,其表面用绝缘凝胶涂层进行隔离保护,避免与轮胎压力介质直接接触.
温度传感器
温度传感器设计在ASIC电路中,并具有与绝对温度成比例(PTAT)的特性.
电压传感器
电压传感器可向应用电路提供一个与供电电压成比例的电压信号,该电压信号可即时被模拟数字转換器(ADC)读取并作为参考的固定(能带隙)电压.
低噪音放大器(LNA)及输入多路转换器(INPUT MUX)
低噪音放大器以带有编程放大功能的差动模式工作,为了处理传感器及其外设的输出电压.低噪音放大器作为多路转换器,可提供一个独立差动传感器输入信号.
ADC及ADC转换器
数模转换器(ADC)是一种作为优先指令带有差动输入的Σ-Δ数模转换工具.在任意时段,数模转换器(ADC)都会根据芯片上的RC振荡器来计时,并且通过提供偏移量补偿的方式来实行零位和满度的读取,以应用程序实现.
VMIN电路是用来检查供电电池电压是否在最低电池电压以上,该结果会被保存到一个专用寄存器,并被应用程序所使用以进行某种方式的验证(例如:测量值的验证).
电源控制
NPX具有一个控制和减小系统电源损耗的通用电源管理方案.RISC控制器和相应的程序存储器用于控制机构开启和温度关闭等运作模式的器件.

|