首页 公司简介 产品展台 开发生产 资料下载 技术支持 解决方案 展会消息
代理经销 集成电路 高频微波 消费电子 工控网络 安防报警 光纤光电 汽车电子
合作交流 留言本 友情连接 热卖产品 销售网络 招聘加盟 新品介绍 联系我们
传感器/变送器/仪表按厂商品牌选用指南按种类分类选用指南按行业应用选用指南 模块模组 隔离采集仪器仪表
产品资料 技术资料 样例工程 产品驱动 参考设计 应用电路 通讯协议 使用说明 支持软件 数据查询 问题解答 标准法规 图书资料 基础知识

| 公司简介 | 产品介绍 | 传感器配套仪表| 数字面板表 | 传感器技术应用与选型 | 联系我们 | 首 页 |

销售热线:TEL:0755-83387026  FAX:0755-83376489   技术咨询热线:
0755-83394033 13501568376
按产品分类介绍
::压力变送器总汇::
微压变送器
微差压变送器
通用型压力变送器
隔离式压力变送器
工业型压力变送器
工业数显压力变送器
BPK远程数显压力表
蓝宝石高温压力变送器
高温齐平膜压力变送器
高温数显型压力变送器
隔离式差压变送器
隔离式液位变送器
高温导压型液位变送器
电容式差压变送器
单法兰差压变送器
工业/航天/航空/军工压力变送器
  ::压力开关系列::
CYDK-I型压力开关
CYDK-II型压力开关
CYDK-III型压力开关
BPK-DK智能型压力开关
::差压开关系列::
.CYDK-I型差压开关
.CYDK-II型差压开关
.CYDKIII数显差压开关
  ::智能数显仪表::
智能型数字显示仪表
 
::压力传感器总汇::
.绝压传感器
.高精度压力传感器
.微型压力传感器
.高温压力传感器
.隔离式压力传感器
.微差压传感器
.双膜差压传感器
.液位式传感器
工业民用压力传感器
数字压力传感器
按代理厂牌简介
NOVOSENSOR
MOTOROLA/FREESCALE压力/汽车传感器/传感器控制电路
 MSP微熔技术、US扩散硅压力传感器
 IC Sensors 压力传感器、加速度计
KULITE压力传感器
MSI压力产品
Schaevitz Sensors
UE
TRAFAG
SETRA
BOSEMOUNT
NMB
E+H
INFINENO
HUBA CONTRONL
HONEYWELL
GE
DRUCK
KISTLER
KELLER
AUTONICS
CSS
SMI
ACSI(美国)全系列产品
Entran (美国)全系列产品
Honeywell 传感与控制系列产品
Dwyer 全系列产品
其他品牌压力传感器及相关产品
 
SSTKJ拥有雄厚的技术力量和财力基础。目前主要致力于仪器仪表的开发、生产,国外最新传感器及控制仪表的代理、销售;同时还为包括国家重点工程在内的项目提供控制工程配套及服务。公司目前已同美国(EP公司热式气体质量流量计,SM公司硅微压传感器)、日本、香港等国家和地区建立有紧密的合作关系,能够及时为国内用户提供最新的技术产品和市场信息.SSTKJ是专业生产流量压力测量仪表的制造商,其制造产品积累了十多年的使用和设计经验,推出了具有国际同等先进水平的系列高低压气体质量流量计、质量流量控制;系列气体压力电子控制器、压力变送器。系列漏气量测量仪,配气仪;并在此基础上努力拓展产品的技术能力和技术水平,形成了一系列新的技术产品,新的技术手段;目前我公司的技术产品和技术手段,在国内外已得到了广泛的使用和应用.

压力传感器 封装件 SM53系列 SM5310/SM5350 SM54系列 SM5420 SM5430/SM5470 SM56系列 SM5651/SM5652 SM58系列 SM5812/SM5852 SM5822/SM5872

晶圆 SM51系列 SM5102 SM5103 SM5106 SM5108 SM5112 LCD 数字压力表 LCD 数字压力开关 LED 数字压力开关

 

SM5420


适用于大批量通用客户 不同OEM制造商 为汽车 医药 及工业产品所设计
 
SM5420

■ 简介
 
  
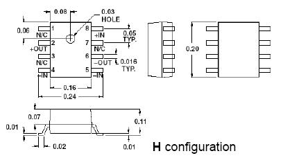
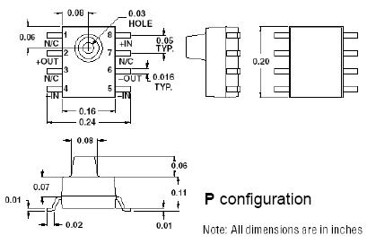
  SM5420为小型阵列SO-8封装压力传感器,,选用SMI的SM5108微结构压阻式压力传感器芯片,通过选择适当的电阻和机械结构使得该传感器具有极高的测量精度,且价格低廉可大量使用。
  该产品采用绝压配置,量程有15psi,30psi,60psi,100psi,可表面贴装于陶瓷或PC板。SM5420可选用管型结构或孔型结构,选择连接孔的位置时应注意避免压力直接影响传感器芯片表面。,5420可以采用IC管或带卷方式运输。
 
■ 特点
 
  15psi,30psi,60psi,100psi量程可选 / 宽温度范围(-40~125℃)/ 适用于自动化流水线 / 超底价格 / 小面积封装(0.16inX0.20in)/ 恒定电流和电压激励 / 微压输出
  
 
■ 用途
 
汽车胎压压力检测 引擎控制 气压传感器 空气流量计 手持式测量仪 家用设备
 
 
■ 产品样图
 
 
 
 
■ SM54系列电气连接方式
 
 
■ 规格
 
1、电器特性
 
管脚贴片封装,无补偿
 
压力范围
压力类型
 
0.15
0.30
0.80
1.50
3.00
5
15
30
60
100
D
A
G
SM5410
 
 
 
 
 
×
×
×
×
×
 
×
×
SM5420
 
 
 
 
 
 
×
×
×
×
 
×
 
SM5430
 
 
 
 
 
×
×
×
×
×
×
×
×
SM5450
×
×
×
×
×
 
 
 
 
 
 
 
 
SM5470
×
×
×
×
×
 
 
 
 
 
×
 
×
 
 
■ SM5420性能指标及测试条件
 
 
参数
最小值
标准
最大值
单位
激励
 
电压
0
5.0
15
V
电流
0
1.5
2.5
mA
输出**psi(kpa)
 
15(103)
65
100
135
mV
30(207)
65
100
135
mV
60(414)
65
100
135
mV
100(689)
65
100
135
mV
零压
-35
0
35
mV
温度系数
 
满量程***
-24
-19
-15.5
%FS/100℃
零点***
-7
-1
+7
%FS/100℃
阻抗
+24
+27.5
+33
%FS/100℃
线性精度***
-0.3
±0.05
0.3
%FS
桥臂阻抗
2.7
3.15
4.0
输入电容
 
<2
 
PF
耐力
3X
 
 
 
瞬间压力
5X
 
 
 
温度范围
 
使用
-40
 
125
储存
-55
 
150
 
 
Vexc=5.0 T=室温
 
 
备注:
* 电桥可采用正压或负压驱动;正压驱动输出正信号
** 恒压5V激励下测量
*** 0~70℃范围内测量
 
 
■ 命名方式
 
 
最佳直线拟合 命名方式:SM5420 - XXX - A - P -T
产品型号 SM5420
XXX 压力范围 015:15psi;030:30psi;060:60spi;100:100psi
压力类型 A:绝压
取压方式 P:取压管式;H:取压孔式
运输形式 T:带卷;S:IC管

 

 

产品型号 产品名称 简要说明 下载
SM5300SM5400 压力传感器 详细参数请见下载资料
SM5108 压力传感器 详细参数请见下载资料
SM5106 压力传感器 详细参数请见下载资料
SM5103 压力传感器 详细参数请见下载资料
SM5102 压力传感器 详细参数请见下载资料

 

 

 

 

 

欢迎免费索取详细资料、设计指南

SSTKJ工控安防网:http://www.pc-ps.net/            SSTKJ射频微波光电产品网:HTTP://www.rfoe.net/

SSTKJ中国传感器科技信息网:http://www.sensor-ic.com/    SSTKJ电子元器件网:http://www.sunstare.com/

SSTKJ军工产品网:hrrp://www.Junpinic.com/        SSTKJ消费电子产品网://www.icasic.com/

SSTKJ实业科技产品网://www.sunstars.cn/

地址: 深圳市福田区福华路福庆街鸿图大厦1602

电话:0755-83376489 83370245 83376489  83376549 

传真:0755-83376182  83376489  

邮编:518033  手机:(0)13902971329

E-MAIL:xjr5@163.com  E-MAILszss20@163.com
MSN:
SUNS8888@hotmail.com              QQ: 195847376
技术支持: 0755-83394033 13501568376

深圳展销部:深圳华强北路赛格电子市场2583

           TEL/FAX0755-83665529  13823648918 FAX:0755-83376182

北京分公司:北京海淀区知春路132号中发电子大厦3097

           TEL4006579498  18927445855  13823791822 

           FAX010-62543996

上海分公司:上海市北京东路668号上海賽格电子市场地下一层D25号

           TEL4006571586  56703037  13823676822 

           FAX021-56703037

西安分公司:西安高新开发区20(中国电子科技集团导航技术研究所

           西安劳动南路88号电子商城二楼D23 

        TEL4006572198  13072977981  FAX:029-77678271