CYB15系列蓝宝石高温压力变送器
|
一、 产品介绍: |
二 、实物图例: |
CYB15系列蓝宝石高温压力变送器采用进口高精度蓝宝石压力传感器,并经过特定的信号提取及剥离等专利技术进行温度及线性化补偿,产品具有压力范围宽、温度范围广、精确度高、稳定性优良、耐磨损、抗冲击、防腐蚀等显著特点。
该变送器能够长期稳定工作在高湿严寒地区,不受环境温度影响,最大压力可达200Mpa,介质温度可达200℃。
CYB15系列蓝宝石高温压力变送器广泛用于航天、航空、石油、化工、冶金、电力、船舶、医药、环保、科研等领域对高温气体、液体、流体、胶体的测量和控制,是测量高温介质的理想产品。 |
 |
三、 技术参数:
量 程 范 围
|
0~4、100…1000(KPa)
|
0~2、20…200 (MPa)
|
压 力 形 式
|
表压、 绝压 |
输 出 信 号
|
4~20mA (1~5V) 二线制 |
0~10mA (0~5V) 三线制 |
精
度
|
0.1 0.2
0.5
|
非线性迟滞重复性
|
≤0.1 ≤0.2 ≤0.5(%FS)
|
零 点 漂 移
|
≤0.1 ≤0.2 ≤0.5(%FS/4h)
|
零点及灵敏度温度漂移
|
≤0.01 ≤0.15 ≤0.03(%FS/℃)
|
长 期 稳 定 性
|
≤0.1 ≤0.2 ≤0.5(%FS/年)
|
工 作 电 压
|
+14~+36 (标定值为+24)(V ) |
补
偿 温 度
|
参见选型表(℃)
|
环
境 温 度
|
-40~+85(℃)
|
介 质 温 度
|
-60~+200(℃)
|
过 载 能 力 |
150(% ) |
响 应 时 间 |
≤1(ms) |
测 量 介 质 |
高温气体、液体、腐蚀性和非腐蚀性介质 |
壳 体 材 料 |
1Cr18Ni9Ti |
接 口 |
M20×1.5或用户自定 |
防 爆 等 级 |
ExibIICT6 |
防 护 等 级
|
IP67 |
|
四
、电器连接:
|
|
|
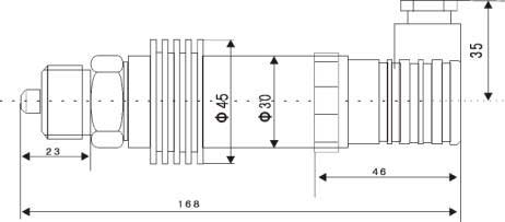
五
、外型尺寸:
|
|
六、
特点:
七、 应用:
|
1、 测量范围宽:0-4Kpa-200Mpa 2、 精度高:经线性化处理优于0.1%FS 3、 稳定性好:≤0.1%FS/年 4、 介质温度范围宽:-60~+200℃ 5、 抗干扰设计 6、 防腐性好:钛-蓝宝石膜片 7、 本安防爆
|
1、 工业现场过程压力检测 2、 航空、航天领域 3、 航海及造船行业 4、 石油、化工行业 5、 发电厂、核电站 6、 食品、建材行业 7、 科研及实验室校验
|
八、 安装使用:
|
1、本产品利用M20×1.5接口直接安装在管道上,而不必使用安装支架。
2、在测量高温介质时,应使用引压或冷却装置,以便将温度降至变送器正常使用温度范围内。
3、露天安装时,应尽量把变送器置于通风干燥处,避免强光直接照射或雨淋,否则将降低整机的性能及影响整机的寿命。
4、引出的电缆线应注意保护,在工业现场使用时,建议使用蛇皮管或铁管保护,或者把它架高。
|
九、 选 型:
代 码
|
说 明 |
CYB15 |
蓝宝石高温型压力变送器 |
B |
表压型 |
G |
绝压型 |
P |
平膜型 |
FS |
压力满量程 |
I |
电流输出 |
V |
电压输出 |
X |
外形结构 |
J |
精 度 |
O |
其它要求 |
代
码 |
补 偿 温
度 |
T1 |
-20~+85℃ |
T2 |
-60~+120℃ |
T3 |
0~+150℃ |
T4 |
+20~+200℃ |
|