首页 公司简介 产品展台 开发生产 资料下载 技术支持 解决方案 展会消息
代理经销 集成电路 高频微波 消费电子 工控网络 安防报警 光纤光电 汽车电子
合作交流 留言本 友情连接 热卖产品 销售网络 招聘加盟 新品介绍 联系我们
传感器/变送器/仪表按厂商品牌选用指南按种类分类选用指南按行业应用选用指南 模块模组 隔离采集仪器仪表
产品资料 技术资料 样例工程 产品驱动 参考设计 应用电路 通讯协议 使用说明 支持软件 数据查询 问题解答 标准法规 图书资料 基础知识

| 公司简介 | 产品介绍 | 传感器配套仪表| 数字面板表 | 传感器技术应用与选型 | 联系我们 | 首 页 |

技术咨询热线:
0755-83394033 13501568376
按产品分类介绍
::压力变送器总汇::
微压变送器
微差压变送器
通用型压力变送器
隔离式压力变送器
工业型压力变送器
工业数显压力变送器
BPK远程数显压力表
蓝宝石高温压力变送器
高温齐平膜压力变送器
高温数显型压力变送器
隔离式差压变送器
隔离式液位变送器
高温导压型液位变送器
电容式差压变送器
单法兰差压变送器
工业/航天/航空/军工压力变送器
  ::压力开关系列::
CYDK-I型压力开关
CYDK-II型压力开关
CYDK-III型压力开关
BPK-DK智能型压力开关
::差压开关系列::
.CYDK-I型差压开关
.CYDK-II型差压开关
.CYDKIII数显差压开关
  ::智能数显仪表::
智能型数字显示仪表
 
::压力传感器总汇::
.绝压传感器
.高精度压力传感器
.微型压力传感器
.高温压力传感器
.隔离式压力传感器
.微差压传感器
.双膜差压传感器
.液位式传感器
工业民用压力传感器
数字压力传感器
按代理厂牌简介
NOVOSENSOR
MOTOROLA/FREESCALE压力/汽车传感器/传感器控制电路
 MSP微熔技术、US扩散硅压力传感器
 IC Sensors 压力传感器、加速度计
KULITE压力传感器
MSI压力产品
Schaevitz Sensors
UE
TRAFAG
SETRA
BOSEMOUNT
NMB
E+H
INFINENO
HUBA CONTRONL
HONEYWELL
GE
DRUCK
KISTLER
KELLER
AUTONICS
CSS
ACSI(美国)全系列产品
Entran (美国)全系列产品
Honeywell 传感与控制系列产品
Dwyer 全系列产品
其他品牌压力传感器及相关产品
 
 
 
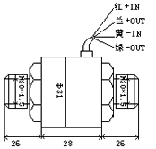
产品简介:
该产品采用进口或国产高精度芯片,铝合金或不锈钢壳体组装,适用于军工、工控等多种领域流体差压、流量的检测,也可以用作测量表压。MTBF值大于105小时。


图片可以点击放大

技术指标
量 程 范 围
0~100,160,250,400,600,1000,1600,2000KPa
输入输出阻抗
1200 ±40%
电 源
恒流6~12mA(参考工作电压9VDC)
零 点 输 出
≤10 mV
满量程输出
60~120 mV
使 用 温 度
-40℃~+80℃
过 载 能 力
标准量程的200%
接 口 尺 寸
M10×1;M12×1
壳 体 材 料
铝合金或不锈钢
耐 静 压
≤3MPa
性能参数

项目

分档

零点时漂
mV/4H
零点温度系数×10-4/℃.FS
灵敏度温度系数×10-4/℃.FS
非线性
%FS
重复性、迟滞%FS
A
≤0.1
≤5
≤5
≤±0.3
≤0.3
B
≤0.1
≤2
≤3
≤±0.2
≤0.2
C
≤0.1
≤1
≤1.5
≤±0.15
≤0.15
D
≤0.1
≤0.5
≤1
≤±0.1
≤0.1

安装使用方法:
CYZ203差压传感器打字端与被测现场高压引压管连接,另一端与低压引压管连接,最好采用水平安装,其它安装方法则对零位输出有影响。