敏感元件:

引线示意图
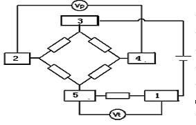
惠斯登电桥示意图:

引线方式:1、3为供电激励源(1:地,3:电源+)
2、4为信号输出端
(1、5之间为测温电阻,作为内补偿电阻)
焊点材料:镍:使用超声压焊
技术参数:
压力量程(bar):5, 7, 10, 16, 20, 35, 70, 100, 160, 250, 400,
700,1000, 1600, 1800, 2200
允许过负载(% FS):200% (破坏压力:10倍满量程压力)
热零点漂移(%FS℃):小于0.005
热灵敏度漂移(%FS℃):小于0.005
长期稳定性(%FS/年):小于+0.1
工作温度范围(℃):-70℃~200℃(特殊要求从-100℃~300℃)
桥臂电阻(KΩ):3.2+ 0.2
绝缘电阻(MΩ):大于500
频率响应 :大于10KHZ
灵敏度(mV/V)及非线性
量程(bar)
5 7 10 16 20
35
灵敏度(mV/V)0.99±0.25 1.27±0.25 1.21±0.2 1.24±0.2
1.30±0.2 1.67±0.2
最大非线性 0.4 0.35
0.2 0.15 0.15 0.15
量程(bar)
70 100
160 250 400 700
灵敏度(mV/V)1.81±0.2
2.26±0.3 1.98±0.3 2.19±0.3 2.13±0.2 2.26±0.2
最大非线性 0.15 0.15
0.15 0.15 0.10 0.10
量程(bar) 1000
1600 1800 2200
灵敏度(mV/V)1.33±0.25 1.40±0.25 1.08±0.2
1.30±0.2
最大非线性 0.05 0.05
0.05 0.05
溅射薄膜压力传感器
薄膜压力传感器利用溅射合金薄膜压力敏感元件结合先进的加工工艺技术制作而成。
压力介质直接作用的17-4PH不锈钢膜片上制作了组成惠斯登电桥的合金薄膜应变单元,该合金材料以分子形式在弹性体上淀积成薄膜应变电阻,薄膜电阻与弹性体以分子键合“融”为一体,可长期在-40℃~+150℃工作温度下稳定工作。生产过程中传感器经过了严格的高、低温循环,经过了两千次的疲劳处理。产品具有准确度高,工作温度范围宽,温漂小,高稳定,高可靠,抗振动,抗冲击,抗辐射的工作特点。使用激光焊(电子束焊等)。将溅射薄膜压力敏感元件与不锈钢压力接头焊为一体,成为封装型敏感元件。结构件材料为17-4PH不锈钢,能在各种恶劣环境下长期稳定的工作。
技术参数:
技术指标
量程(bar):见敏感元件参数表
输出灵敏度(mV/V):见敏感元件参数表
准确度(%FS):0.05; 0.1; 0.2; 0.5;
激励电压(VDC):0~20
允许过压(%FS):200
零点温度漂移(%FS℃):小于±0.005
热灵敏度温度漂移(%FS℃):小于±0.005
长期稳定性(%FS年):小于±0.1
工作温度范围(℃):-40~150
绝缘电阻(MΩ):大于500
可配套提供:
放大电路 (4~20mA, 0~5V, 0~10V, 0.5~4.5V)连接插针
溅射薄膜压力变送器
溅射薄膜压力变送器是由溅射薄膜压力传感器和高性能的信号调节电路ASIC组成。ASIC系列经特别设计,以最大限度的发挥薄膜传感技术的潜能,并满足我们客户有远见的需求。这方面包括模拟输出(典型:0—5V;0—10V;0.5—4.5V;4—20mA)数字化等。变送器系列在设计上考虑到满足最严格的电磁兼容条件。作为一项标准,全部产品都严格按照EN61000-6-2和EN61000-6-3标准经受至少100V/m的考验。具有集成开关功能:在液压控制系统的应用中,需要带有电子开关功能的压力信号。这种功能可在我们的ASIC电路板中使用比较器来提供。

技术参数:
1.ASIC系列。
名称 SEN-1000
应用需求 工业 汽车
输出1(压力)电压绝对值;电流0—5V;0—10V;0.5—4.5V;4—20mA 0.25—4.75V
0.5—4.5V
输出2(温度/压力开关)0—5V;0—10V;1—6V;0.5—4.5V;
输出形式 模拟量
模拟量
时钟频率 内部RC震荡器2MHZ
内部RC震荡器2MHZ
输入电源 电压8—30VDC
5V+10%
过压保护 30V
16V
反压保护 -30V
-16V
存储(通过输出1插针连通输出1信号) OTP OTP
线性化 3点 |